快速上手
1. 准备线缆
在开始前,请根据你的使用场景准备好对应线缆:
| 接口类型 | 用途 | 所需线缆 |
|---|---|---|
| WAN / LAN | 网络连接(路由器 / 设备通信) | RJ45 网线 |
| RS485 / DO / 12V_OUT | 逆变器 / 热泵通信与控制 | RS485 信号线 |
| P1 | 电表数据读取 | RJ12 信号线 |
注意
- 不同接口线缆不可混用(RJ12 ≠ RJ45)
- RS485 通信需特别注意 A/B 线序
2. 安装设备
选择合适的位置安装设备,有助于后续稳定运行:
- 通风良好,避免密闭空间
- 远离热源(如暖气、阳光直射)
- 避开强电磁干扰(如配电箱、大功率电器)
安装步骤:
- 确定螺钉安装位置:根据设备背面卡槽的位置,在安装面上标记对应的螺钉固定点。
- 固定螺钉:在标记好的位置固定螺钉。
- 对准与安装:将设备背面的卡槽完全对准已固定的螺钉。
- 卡入固定:将设备向下滑动固定到位。
3. 电气连接
3.1 连接网线
使用 RJ45 网线连接 EMH-2 WAN口与路由器 LAN口
3.2 连接信号线
插入信号线端子
将 8Px2 插线端子插入设备对应接口
连接充电桩(如有)
使用 RJ45 网线将 EMH-2 的 LAN 口连接至充电桩
连接 P1 电表(如有)
使用 RJ12 信号线连接 EMH-2 P1 接口与电表 P1 接口
连接逆变器
将 RS485 通信线接入 8Px2 端子:
- RS485 A 线连接到端子上的 A 端口
- RS485 B 线连接到端子上的 B 端口
注意
请确保 A/B 线序连接正确,且必须接在同一组端子(如 A1/B1),否则通信将无法建立。
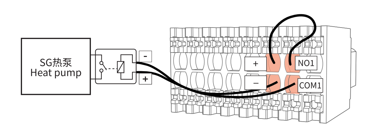
连接热泵
根据热泵 SG Ready 接口类型选择连接方式:
- 1️⃣ 继电器控制
- 2️⃣ 直接连接
- EMH-2 + 连接 EMH-2 NO1
- EMH-2 COM1 连接 外部继电器线圈 +
- EMH-2 - 连接 外部继电器线圈 -
- 继电器触点 连接 热泵

- 通过设备 DO(NO1/COM1)控制 +12V 是否送到继电器线圈,从而间接控制热泵
- 适用于:功率较大或需要更稳定控制的场景
EMH-2的 DO 输出口 (NO1 / COM1) 直接连接热泵 DI 输入口

- 通过设备内部开关直接控制信号通断
- 适用于:小电流控制场景
3.3 插入 4G SIM 卡
按照 SIM 卡槽旁的图示方向,将 SIM 卡芯片的金属接触面朝上,带有缺口的短边朝外,推入卡槽直至卡住。
3.4 连接电源
使用原装电源适配器,将其 DC 插头插入 EMH-2 设备上的 DC 电源口。
4. App 使用
下载应用程序:
![]() | ![]() |
| 小麦智电 (面向终端用户) | 小麦商家版 (面向运维商和安装人员) |
- iPhone 用户:在 App Store 中搜索 “小麦智电” 或 “小麦商家版”。
- Android 用户:在应用商店中搜索 “小麦智电” 或 “小麦商家版”。
操作步骤:
-
以“小麦智电”为例,请打开小麦智电应用程序,完成注册和登陆。
-
请依次完成“添加家庭”和“添加设备”,您可以通过扫描二维码或手动输入设备 SN 号来完成添加设备。
注:设备本体可见二维码
-
使用WiFi网络的情况下:添加设备后进行配置网络,输入WiFi名称和密码。根据应用程序提示,连接 EMH-2 到 WiFi 网络。
注意:因设备仅支持 2.4G WiFi,请确保路由器频段为 2.4G。
如果配置失败,请检查以下原因并重试:
- 确保WLAN已开启且正常;
- 确保无线路由器未实施白名单/黑名单;
- 缩短手机与设备之间的距离;
- 尝试连接到其他WiFi;
- 确保路由器频段为2.4G。
如果遇到以下情况,请重新配置采集棒网络:
- 更换路由器或路由器的SSID;
- 更改WiFi密码;
- 企业路由器可能会限制WiFi连接;
- 更换频段为2.4G的路由器。

